2.5mホイップで7MHz④ ~チューニング実験編

それでは整合回路を実験してみましょう。
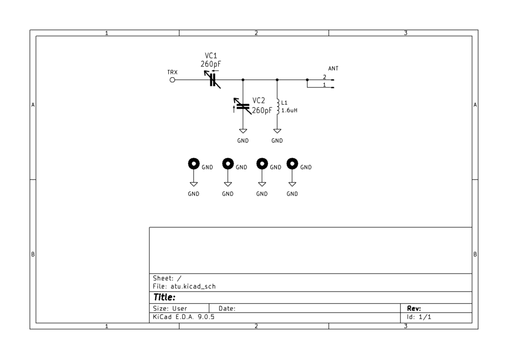
GAWANTのLタップをCタップに変えた回路です。

バリコンはネットでよく見かける260pFのAM用単連ポリバリコン。
コイルはトロイダルコアのT94-6に15回巻いて実測約1.6uHでした。

基台部分にねじ止めで仮設しました。

チューニングしてみました。
NanoVNAの画面で黄色いのがスミスチャートの軌跡、といっても範囲が100kHzなので点にしか見えませんが。
青い線がSWRで画面左端が7.0MHz右端が7.1MHz、画面最上部がSWR=3.0、中央がSWR=2.0、最下部がSWR=1.0です。

スミスチャートを出しているとチューニングが簡単ですね。バリコンツマミを回すべき方向がすぐわかります。

この回路で50Ωに整合できることがわかりました。
この後は、ちゃんとケースに組み込んで山頂まで持って上がれるようにしなければいけません。
また、アナライザーなしでも調整できるようにインピーダンスブリッジを内蔵したいですね。

2.5mホイップで7MHz③ ~ローディングした特性測定編

ローディングコイルができたのでホイップアンテナに実装してみます。

前回と同じロケーションでS11を測定します。

コイルを直列に付けただけなのに実数部も増加してます。
前回はNanoVNAへの引き込み線が長かったせいでしょうか。
それに伴って操作する人間とアンテナとの距離が変化した影響もありそうです。

マッチング回路の定数はそれぞれ次のようになります。

シミュレーションしてみましょう

なんとか行けそうです。

【追記】ホイップ単体のインピーダンスについて
2.5mホイップで7MHz①」の測定画像を見るとホイップアンテナの長さに比べてNanoVNAまでの引き込み線が長すぎるように見えます。
正しい値が計測されていないと思うので今回のローディング後の測定値から再検討してみます。

今回のローディングコイルのインダクタンスは実測で6.6uHでしたのでローディングによってリアクタンスが290Ω増加しているはずです。
なのでホイップアンテナの素のインピーダンスは
平坦地:258 – j638 (Ω)
尾根道:221 – j578 (Ω)
だと思います。

2.5mホイップで7MHz② ~ローディングコイル制作編

それではローディングコイルを作ってみましょう。
インダクタンスは6から7uH、電流は0.2Aくらいなので小さなトロイダルコアでも巻けますが空芯コイルで行ってみます。

コイルの設計はこちらのサイトのお世話になりました。
巻き径30.5mm、ピッチ1.2mmで15.5回巻くと6.8uHになります。

コスパを考えると塩ビ管に巻くのが正解なのでしょう。でも、せっかくなのでボビンから作ってみます。

とはいうものの、どんな素材で、どれほどの厚みが必要なのか見当もつかないのが素人の悲しさです。
とりあえずMJF、VP管程度の厚さで設計してJLCPCBに発注してみました。

できあがってきたのがこちら。
ロッドアンテナのベースとなる強度があるかどうかは判りませんが恒常的な設備ではないのでよしとしましょう。

UEW 1.0mmを15.5回巻いてインダクタンスを測定すると6.6uHでした。


コイルを組み立てます。

ボルト、ドリル、潤滑油をカインズホームで買って工作室でボルトのてっぺんに穴をあけてきました。
ボルトはステンレスのM10×20mmと25mm、ドリルは2.5mmのステンレス用です。

その穴にM3のタップをたてます。
コイルの両端に圧着した端子をねじ止めします。

このボルトにM10のナットと高ナットを組み合わせてオネジとメネジのエンドキャップを作ります。


コイルの両端をボルトの頭にねじ止めし、そのキャップをボビンに接着します。
さらに2mmのPタイトをねじ込んで補強します。

蛇足ですがウレタンクリアで塗装して完成です。
小さいのに154グラムもあるのでかなりズッシリです。

2.5mホイップで7MHz① ~2.5mロッドのインピーダンス測定編

アマチュア無線を復活しようかなと考えています。
ここ2,3年山に登るようになったのですが、山頂でQSOするSOTA(Summit On The Air)なるものを知り、登る楽しみが増えるしモチベーションになりそうだなと思うのです。

山頂でQSOとなると如何に短時間で局数(4局以上)を達成できるかが重要です。なにしろ人一倍足の遅い高齢者ですから。
なので運用は7MHzのFT8一択かなと思っています。

7MHzの課題はアンテナですよね。小型軽量といえばカーボンロッド。
ただ、まわりに登山者がいたりこれから登ってくる可能性があったりする山頂で6mや7mのロッドを立てるのはチト気が重い。。。

身長の二倍くらいを目途に考えるなら金属でもよいのでは?と思いアリエクでよく見かける2.5mのロッドアンテナをポチってみました。

https://www.aliexpress.com/p/tesla-landing/index.html?scenario=c_ppc_item_bridge&productId=1005007437291384&_immersiveMode=true&withMainCard=true&src=google&aff_platform=true&isdl=yhttps://www.aliexpress.com/p/tesla-landing/index.html?scenario=c_ppc_item_bridge&productId=1005007437291384&_immersiveMode=true&withMainCard=true&src=google&aff_platform=true&isdl=y&src=google&albch=shopping&acnt=742-864-1166&isdl=y&slnk=&plac=&mtctp=&albbt=Google_7_shopping&aff_platform=google&aff_short_key=UneMJZVf&gclsrc=aw.ds&&albagn=888888&&ds_e_adid=&ds_e_matchtype=&ds_e_device=c&ds_e_network=x&ds_e_product_group_id=&ds_e_product_id=ja1005007437291384&ds_e_product_merchant_id=5686519324&ds_e_product_country=JP&ds_e_product_language=ja&ds_e_product_channel=online&ds_e_product_store_id=&ds_url_v=2&albcp=22661062054&albag=&isSmbAutoCall=false&needSmbHouyi=false&gad_source=1&gad_campaignid=22661063236&gbraid=0AAAAA99aYpcIhLsU3_mWPbIRsydnyC9MG&gclid=CjwKCAiAxc_JBhA2EiwAFVs7XLMW99SF7BIro6J5uKVWJYeSuaEWwZrS8wL7ZFYni35HIZAspiAEEhoCU48QAvD_BwE

重さは104gほど、カーボンロッド並みに軽くてよいです。
伸ばしてみるとあまりに短くて、これで7メガは無謀じゃ、、、と思うのですが威圧感は小さいです。
こんなんでもなんとかなるのがFT8の威力!と楽観的に考えます。

さて、整合をとるために先ず素のインピーダンス特性を見てみましょう。
近所の公園で長さ10mのアース線を付けてNano VNAで測定します。

先ず平坦な広場で測ってみました。

次に尾根道風の場所でアース線を法面に沿って這わせてみました

どちらもスミスチャートの縁にかなり近いですね、予想してたことではありますが。

それではこれを50Ωに整合してみましょう。
ホイップアンテナといえば人気のGAWNT形式で考えてみます。

こんな感じで行けそうですのでLTspiceで確認してみます。
約5W入れたときの波形です。

整合は取れているようです。
しかし同調コンデンサに掛かる電圧振幅が180Vo-p程度と大きいのでポリバリコンを使うなら1Wまで、それ以上ならエアバリコンを検討しなければならないでしょう。

スミスチャートの外縁近くを使うので回路のQが高いですよね。
それなら直列にローディングコイルを入れて少しチャートの内側に寄せてからGAWANTしてみましょう。
またオリジナルのGWANTはコイルのタップ位置で整合をとります。これをCタップに変更して二つのバリコンで同調と整合をとれるようにしてみます。

こんどは80Vo-p程度に収まってポリバリコンでも5W可能となりました。

かつての2×350pFのような大容量のポリバリコンが使えるなら別の解もあるのでしょうが今ではこの辺が妥協点かなと思います。
また、コイルもバリコンも2個使うならπCマッチも可能です。こちらは2個のバリコンともに片側グランドで使える点で魅力的です。でもGWANTのほうが整合範囲が広そうなのでCタップGAWNTで行きたいと思います。

【訂正】インピーダンス測定値について
本稿の測定画像を見るとホイップアンテナの長さに比べてNanoVNAまでの引き込み線が長すぎるように見えます。

後に「2.5mホイップで7MHz③」ではホイップアンテナにローディングコイルを付けた状態でNanoVNAを直近に接続して測定しました。
6.6uHのローディングコイルを直列に付けただけなので虚数部が290増加するだけのはずですが、時数部、虚数部ともにだいぶ変わっていました。

本稿の測定値は引き込み線の影響で正しくないと判断し、ローディングコイル込みの測定値からホイップ単体でのインピーダンスを再検討すると、
平坦地:258 – j638 (Ω)
尾根道:221 – j578 (Ω)
くらいの値になると思います。

周囲の状況で大きく変わるでしょうから
実数部:200~300
虚数部:-500~-700
程度に考えておけばよさそうです。